2/2 высокочастотный электромагнитный клапан серии AVJ, 5 мс, 100 Гц
Принцип работы 2/2 высокочастотный электромагнитный клапан серии AVJ: при подаче питания катушка электромагнита генерирует электромагнитное поле, которое притягивает неподвижный железный сердечник к магнитному полю. Магнитное поле неподвижного железного сердечника притягивает подвижный железный сердечник, открывая электромагнитный клапан. При отключении питания электромагнитное поле исчезает, и пружина отталкивает подвижный железный сердечник назад, закрывая электромагнитный клапан.
■ Характеристика
1. 2/2 высокочастотный электромагнитный клапан серии AVJ могут нормально работать в условиях вакуума, отрицательного и нулевого давления.
2. Максимальная рабочая частота достигает 100 Гц, время отклика менее 5 мс, что позволяет использовать клапан в условиях высоких рабочих частот.
3. Диаметр отверстия 8 мм, размер соединения G3/8. Увеличенный диаметр отверстия и более высокая пропускная способность по сравнению с традиционными пулевидными клапанами.
4. Может заменять пулевидные клапаны в пневматических ткацких станках, оптических сортировочных машинах, просеивающих машинах, сортировочных машинах, круглорезных станках и производстве полупроводниковых кристаллов.
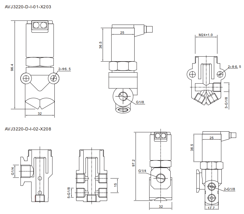
■ Код заказа 2/2 высокочастотный электромагнитный клапан серии AVJ

■ Спецификация
| Модель | AVJ3220-D-I-03-X130 | AVJ3220-D-I-03-X203 | AVJ3220-D-I-03-X208 |
|---|---|---|---|
| Рабочая среда | Чистый воздух (фильтрация 40 мкм) | ||
| Тип действия | Прямого действия | ||
| Тип управления | Нормально закрытый | ||
| Рабочее давление | 0-0,6 МПа | 0-0,7 МПа | 0-0,6 МПа |
| Максимальное рабочее давление | 0,8 МПа | ||
| Рабочая температура | -5 – 70 ℃ | ||
| Время срабатывания | ≤5 мс | ≤4,5 мс | ≤5 мс |
| Максимальная рабочая частота | 100 Гц | ||
| Проходное сечение | 8 мм | 7,5 мм | 8 мм |
| Размер соединения | G3/8 | G1/8 | G1/4, G1/8 |
| Смазка | Нет | ||
| Степень термостойкости | H | ||
| Класс защиты | IP65 | ||
| Стандартное напряжение | DC24V DC48V | ||
| Диапазон напряжений | ±10% | ||
| Корпус клапана | Алюминий | ||
| Материал уплотнения | TPU | ||
■ Основные размеры


